Achieve a sleek, seamless bathroom design with this Wall-to-Wall Frameless Shower Screen. Crafted from durable toughened glass, it provides both strength and elegance while maximizing light and space. The stainless steel hinges ensure smooth, reliable operation, while the discreet wall channel offers a clean, secure installation without visible brackets.
Designed for modern bathrooms, this frameless screen creates an open, airy feel, enhancing the overall aesthetic. The corrosion-resistant stainless steel hardware guarantees longevity, making it a low-maintenance yet stylish choice. Its minimalist look complements a variety of interior styles, from contemporary to timeless classics.
With multiple size options available, this shower screen offers a custom fit for any space, combining practicality with refined design.
You will receive:
65 x 199cm Frameless Shower Screen Door for 10mm Door Handle x 1
Transform Your Wall-to-Wall Shower into a Stunning Corner Oasis!
Looking to make the most of your bathroom space while adding elegance and functionality? Our frameless shower door is designed to fit seamlessly into your space. With premium tempered glass, we'll turn your traditional wall-to-wall shower into a sophisticated corner enclosure that maximises space and light.
Specifications:
- 10mm AS-NZS2208 standard glass
- 1x Door Panel: 650 x 1990mm
- Door handle hole: 10mm
44 x 200cm Frameless Hinge Glass Panel for Shower Screen x 1
Looking to make the most of your bathroom space while adding elegance and functionality? Our hinged frameless shower panel is designed to fit seamlessly into your space. Whether for a wall to wall screen or corner shower, this premium tempered glass will fit seamlessly into your bathroom renovation.
Specifications:
- 10mm AS-NZS2208 standard glass
- 1x Hinge Panel: 440 x 2000mm
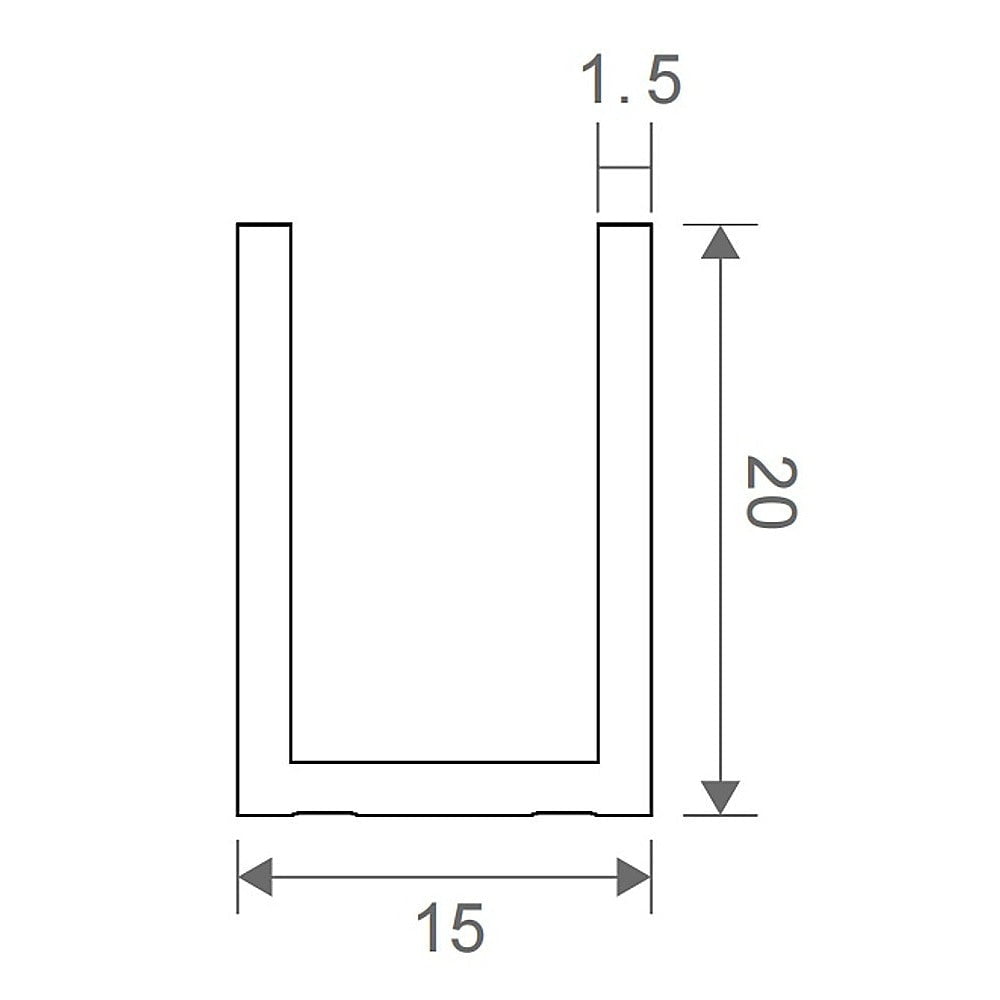
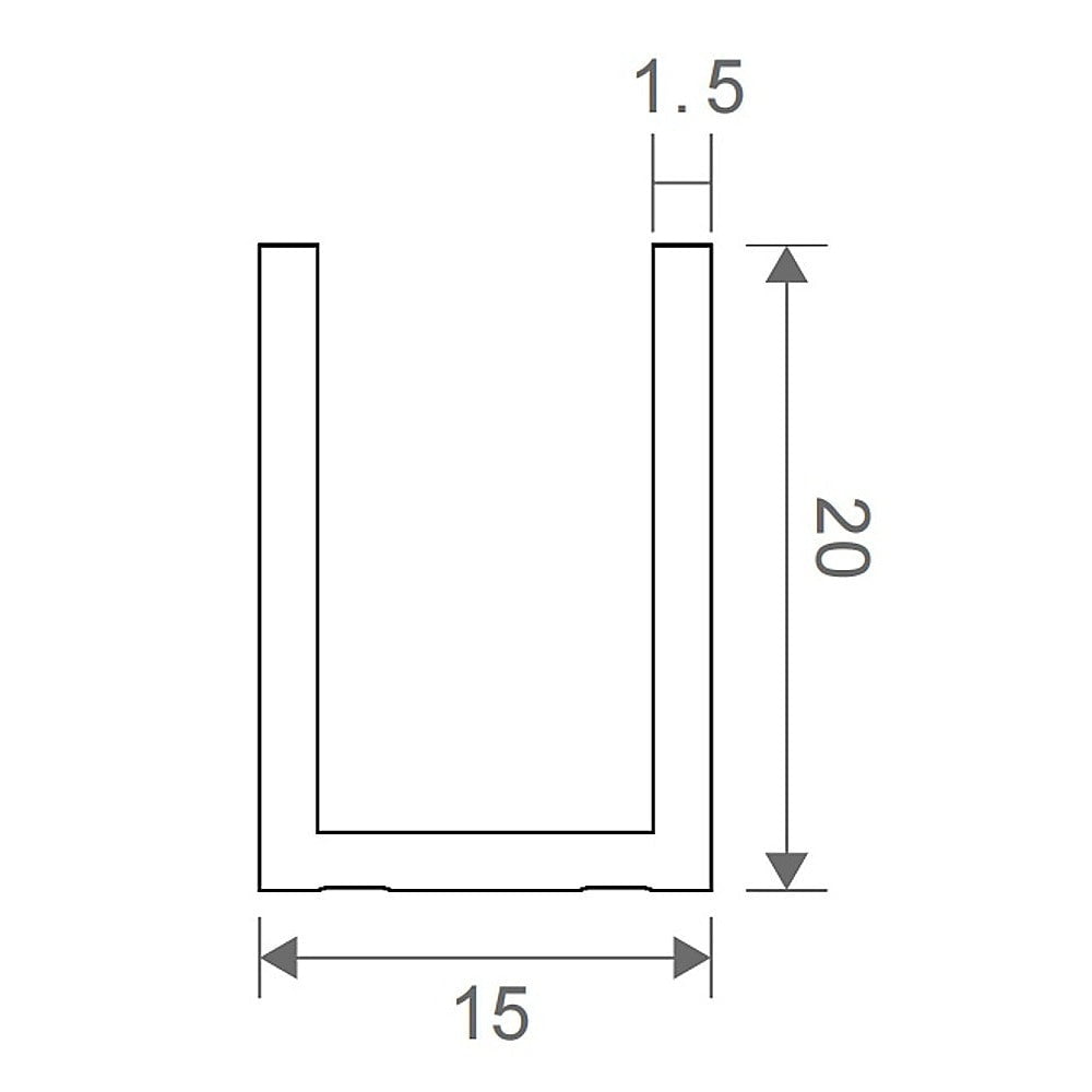
Wall Channel in Matte White x 1
- Channel Length: 2100mm;to be cut to size upon installation
- Material: Matte White Powder-coated Aluminium
- Height: 21.5mm
- Width: 15mm
- Thickness: 1.5mm
- Glass thickness: 10mm
(Note: Images may show other optional accessories (e.g. wall/floor brackets) which are for illustrative purposes only. Only the variant with selected wall channels will be provided as described, unless selected together in bundle.)
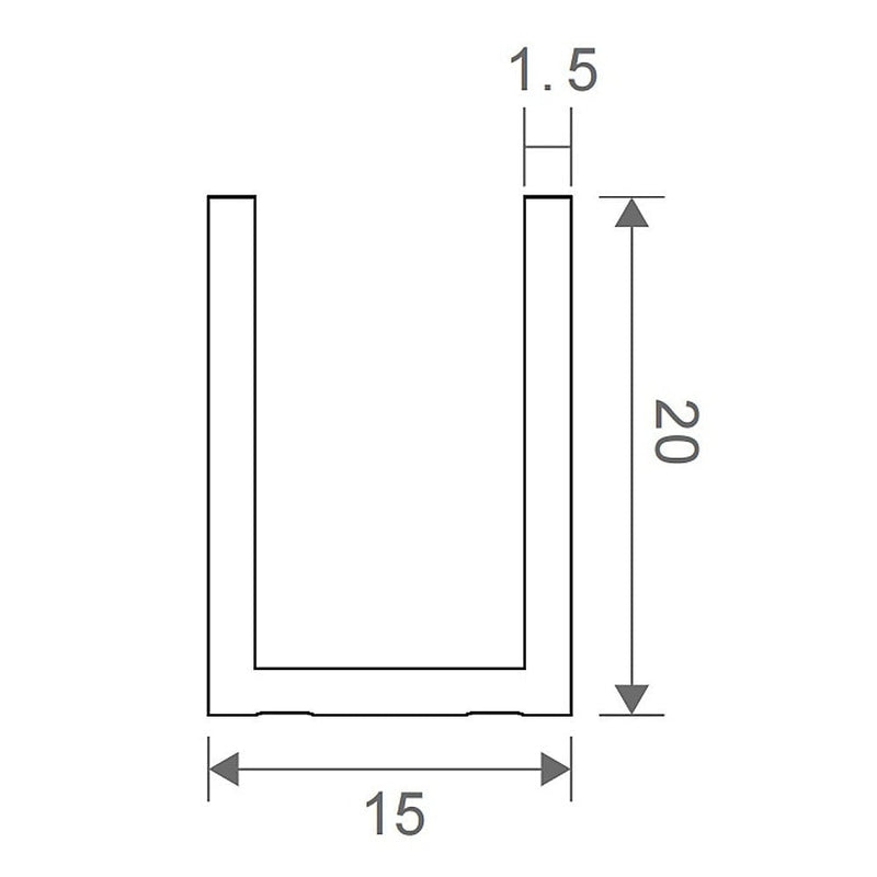
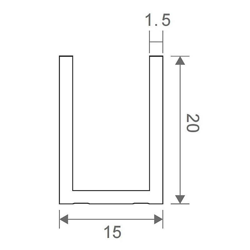
Floor Channel in Matte White x 1
- Channel Length: 1200mm; to be cut to size upon installation
- Material: Matte white powder-coated aluminium
- Height: 21.5mm
- Width: 15mm
- Thickness: 1.5mm
- Glass thickness: 10mm
180° Wall-to-Wall Shower Door Hinge in Matte White x 1
Crafted from stainless steel, the shower door hinge is built to accommodate 10mm toughened safety glass. It swings a full 90 degrees in both directions and automatically centers itself within 25 and will automatically close.
Features:
- Stainless steel with squared edges
- Dual action opens inwards and outwards
Specifications:
- For glass thickness of 10mm
- Self-centers within 25 and will automatically close
- Clamping plates pre-glued with EPDM 119mm gaskets for easy fitting
- Maximum weight capacity: 45kg
- Finish: Matte White(Colour intensity may vary from actual due to different lighting conditions)
- Quantity: 1 pair (2pcs)
25mm Brass Shower Door Double Pull Handle in Matte White x 1
Installation is straightforward and hassle-free; it can be directly mounted onto the glass door.
Crafted from solid brass with a smooth finished surface, it's comfortable to touch and resistant to rust and corrosion. The handle design is sleek and minimalist, complementing nearly every style. Additionally, the door handle includes plastic gaskets for added protection for the shower door.
Specifications:
- 49mm x 25mm double pull knob
- Suits6mm, 8mm, 10mm, and 12mm thick glass
- Material : Brass
- Finish : Matte White(Colour intensity may vary from actual due to different lighting conditions)
Attributes:
- Size: 110cm
- Colour: White
- Bracket Type: Wall Channel
- Additional Support: Floor Channel
- Handle Type: Square Double Pull
Note:
COM (change of mind) Return Policy:
The product must be unopened and in brand new condition, with the return to be organised by the customer. Once received and verified to be in the condition specified, refund is only of the item value minus 15% restocking fee (not including initial shipping). An additional return charge, which is same cost as that of initial shipping, will be deducted from the refund on returns due to delivery failure caused by customer error. For the health and safety of our staff and other customers, we are unable to accept returns of personal use items.
Related Collections:
New Arrivals
Estimated delivery time frames:
- VIC 3 - 5 business days
- NSW, SA, ACT 4 - 8 business days
- QLD, NT, WA and TAS 7 - 10 business days
All orders are dispatched within 24-48 hours from our Melbourne and Sydney distribution centres.
PO Box’s not accepted. Learn more
Secure shipping includes:
- Secure live courier tracking
- Free freight protection
- 12-month warranty
Payday Deals generally offers a 12-month warranty on all products, unless stated otherwise. Some products will be provided with extended warranty for your peace of mind.
Click here to view our change of mind returns policy.
